Будьте всегда в курсе!
Узнавайте о скидках и акциях первым
Новости
Все новости
22 декабря 2025
МЫ ПЕРЕЕХАЛИ НА НОВЫЙ АДРЕС!
3 марта 2025
ИБП EATON имеются в наличии на нашем складе.
13 февраля 2025
Новое трёхфазное 400А твердотельное реле в наличии!
Твердотельное Реле SDM-40200D
Твердотельные реле Selec – это универсальные реле, обеспечивающие коммутацию цепей в наиболее распространенных в промышленности диапазонах токов нагрузки резистивного или индуктивного типа. Это устройство электронного типа, один из видов реле, в котором нет движущихся элементов. Изделие применяется для подачи тока или разрыва цепи путем внешнего управления (действием небольшого напряжения).
Твердотельное реле (сокращено — ТТР) имеет внутри датчик, реагирующий на подачу управляющего сигнала. Кроме того, в составе изделия имеется твердотельная электроника, в том числе включающая цепочка, способная коммутировать большие токи. Устройство может устанавливаться в цепях переменного и постоянного тока, часто применяется как обычное реле. Главная разница в том, что в ТТР нет механических контактов.
SDM - этой серии предназначены для коммутации цепей питания резистивной или индуктивной нагрузки постоянного тока, а также для усиления сигнала при подключении нескольких ТТР к одному регулирующему прибору с небольшой нагрузочной способностью его выхода.
Твердотельное реле (сокращено — ТТР) имеет внутри датчик, реагирующий на подачу управляющего сигнала. Кроме того, в составе изделия имеется твердотельная электроника, в том числе включающая цепочка, способная коммутировать большие токи. Устройство может устанавливаться в цепях переменного и постоянного тока, часто применяется как обычное реле. Главная разница в том, что в ТТР нет механических контактов.
SDM - этой серии предназначены для коммутации цепей питания резистивной или индуктивной нагрузки постоянного тока, а также для усиления сигнала при подключении нескольких ТТР к одному регулирующему прибору с небольшой нагрузочной способностью его выхода.
Подробнее
13 680 руб./шт
-
+
Цена действительна только для интернет-магазина и может отличаться от цен в розничных магазинах
- Описание
- Характеристики
- Задать вопрос
-
ОписаниеТвердотельные реле Selec – это универсальные реле, обеспечивающие коммутацию цепей в наиболее распространенных в промышленности диапазонах токов нагрузки резистивного или индуктивного типа. Это устройство электронного типа, один из видов реле, в котором нет движущихся элементов. Изделие применяется для подачи тока или разрыва цепи путем внешнего управления (действием небольшого напряжения).
Твердотельное реле (сокращено — ТТР) имеет внутри датчик, реагирующий на подачу управляющего сигнала. Кроме того, в составе изделия имеется твердотельная электроника, в том числе включающая цепочка, способная коммутировать большие токи. Устройство может устанавливаться в цепях переменного и постоянного тока, часто применяется как обычное реле. Главная разница в том, что в ТТР нет механических контактов.
SDM - этой серии предназначены для коммутации цепей питания резистивной или индуктивной нагрузки постоянного тока, а также для усиления сигнала при подключении нескольких ТТР к одному регулирующему прибору с небольшой нагрузочной способностью его выхода.
-
Характеристики
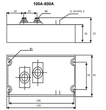
Количество Фаз 1 Управляющий сигнал 3-15 или 15-32 VDC Коммутируемое напряжение 12-480 VDC Номинальный ток нагрузки до(≤100mS) 200 A Рекомендуемый макс. ток нагрузки (Индуктивные) 20 A Тип корпуса Модульный Потребляемый ток в цепи упр. 6-25 mA Макс. пиковое напряжение 1000 V Напряжение пробоя 2500V в теч. 1 минуты Частота коммутации ≤10Hz Индикация включения есть Время переключения ≤2mS Минимальный коммутируемый ток 0,1 А Рабочая температура -40~80℃ Масса ≤ 280 г Падение напряжения в коммутируемой цепи во включенном состоянии ≦1.3 V Схема подключения Загрузить Чертеж Загрузить Документация Загрузить -
Задать вопросВы можете задать любой интересующий вас вопрос по товару или работе магазина.
Наши квалифицированные специалисты обязательно вам помогут.






























