Будьте всегда в курсе!
Узнавайте о скидках и акциях первым
Новости
Все новости
22 декабря 2025
МЫ ПЕРЕЕХАЛИ НА НОВЫЙ АДРЕС!
3 марта 2025
ИБП EATON имеются в наличии на нашем складе.
13 февраля 2025
Новое трёхфазное 400А твердотельное реле в наличии!
Трехфазное-Реверсивное Реле SAR530T80DY
Твердотельные реле Selec– это универсальные реле, обеспечивающие коммутацию цепей в наиболее распространенных в промышленности диапазонах токов нагрузки резистивного или индуктивного типа. Это устройство электронного типа, один из видов реле, в котором нет движущихся элементов. Изделие применяется для подачи тока или разрыва цепи путем внешнего управления (действием небольшого напряжения).
Твердотельное реле (сокращено — ТТР) имеет внутри датчик, реагирующий на подачу управляющего сигнала. Кроме того, в составе изделия имеется твердотельная электроника, в том числе включающая цепочка, способная коммутировать большие токи. Устройство может устанавливаться в цепях переменного и постоянного тока, часто применяется как обычное реле. Главная разница в том, что в ТТР нет механических контактов.
SAR - Твердотельные трехфазные реверсивные реле с управлением 10...32V DC имеют широкое распространение в различных областях промышленности. Типичное применение - системы с электродвигателями, где происходит частая коммутация.
Твердотельное реле (сокращено — ТТР) имеет внутри датчик, реагирующий на подачу управляющего сигнала. Кроме того, в составе изделия имеется твердотельная электроника, в том числе включающая цепочка, способная коммутировать большие токи. Устройство может устанавливаться в цепях переменного и постоянного тока, часто применяется как обычное реле. Главная разница в том, что в ТТР нет механических контактов.
SAR - Твердотельные трехфазные реверсивные реле с управлением 10...32V DC имеют широкое распространение в различных областях промышленности. Типичное применение - системы с электродвигателями, где происходит частая коммутация.
Подробнее
16 104 руб./шт
-
+
Цена действительна только для интернет-магазина и может отличаться от цен в розничных магазинах
- Описание
- Характеристики
- Задать вопрос
-
ОписаниеТвердотельные реле Selec– это универсальные реле, обеспечивающие коммутацию цепей в наиболее распространенных в промышленности диапазонах токов нагрузки резистивного или индуктивного типа. Это устройство электронного типа, один из видов реле, в котором нет движущихся элементов. Изделие применяется для подачи тока или разрыва цепи путем внешнего управления (действием небольшого напряжения).
Твердотельное реле (сокращено — ТТР) имеет внутри датчик, реагирующий на подачу управляющего сигнала. Кроме того, в составе изделия имеется твердотельная электроника, в том числе включающая цепочка, способная коммутировать большие токи. Устройство может устанавливаться в цепях переменного и постоянного тока, часто применяется как обычное реле. Главная разница в том, что в ТТР нет механических контактов.
SAR - Твердотельные трехфазные реверсивные реле с управлением 10...32V DC имеют широкое распространение в различных областях промышленности. Типичное применение - системы с электродвигателями, где происходит частая коммутация.
Подбор реле и особенности эксплуатации
- Реле подбирается с учетом пускового тока двигателя
- Для эффективного отвода тепла обязательно использовать радиаторы (и возможно вентилятор)
- Не переключайте реверс до полной остановки двигателя!
- Для изменения направления вращения используйте 3-позиционный переключатель с фиксацией в среднем положении (стоп)
-
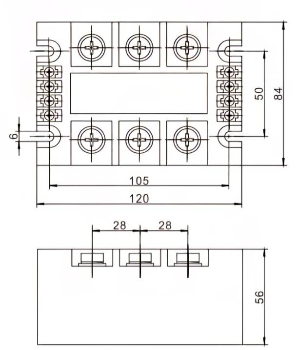
Характеристики
Количество Фаз 3 Управляющий сигнал 10-32 VDC Коммутируемое напряжение 48-530 VAC Номинальный ток нагрузки до(≤100mS) 080 A Рекомендуемый макс. ток нагрузки (Индуктивные) 10 A Потребляемый ток в цепи упр. 35 mA Тип коммутации при переходе через 0 Макс. пиковое напряжение 1200 VAC Напряжение пробоя 3000V AC в теч. 1 минуты Частота коммутации 47/63Hz Индикация включения Зеленый -прямое вращение; Красный – обратное вращение Время переключения 20mS (при частоте 50 Гц) Рабочая температура -40~80℃ Масса ≤ 600 г Мощность 7 кВт Падение напряжения в коммутируемой цепи во включенном состоянии ≦1.3 VAC Схема подключения Загрузить Чертеж Загрузить Документация Загрузить -
Задать вопросВы можете задать любой интересующий вас вопрос по товару или работе магазина.
Наши квалифицированные специалисты обязательно вам помогут.






























